`ul"Activity 12.1"`
♦ Set up a circuit as shown in Fig. 12.2, consisting of a nichrome wire XY of length, say 0.5 m, an ammeter, a voltmeter and four cells of 1.5 V each. (Nichrome is an alloy of nickel, chromium, manganese, and iron metals.)
♦ First use only one cell as the source in the circuit. Note the reading in the ammeter I, for the current and reading of the voltmeter V for the potential difference across the nichrome wire XY in the circuit. Tabulate them in the Table given.
♦Next connect two cells in the circuit and note the respective readings of the ammeter and voltmeter for the values of current through the nichrome wire and potential difference across the nichrome wire.
♦ Repeat the above steps using three cells and then four cells in the circuit separately.
♦ Calculate the ratio of V to I for each pair of potential difference V and current I.
`ul"Activity 12.2"`
♦ Take a nichrome wire, a torch bulb, a `10 W` bulb and an ammeter (`0 – 5 A` range), a plug key and some connecting wires.
♦ Set up the circuit by connecting four dry cells of `1.5 V` each in series with the ammeter leaving a gap `XY` in the circuit, as shown in Fig. 12.4.
♦ Complete the circuit by connecting the nichrome wire in the gap XY. Plug the key. Note down the ammeter reading. Take out the key from the plug. [Note: Always take out the key from the plug after measuring the current through the circuit.]
♦ Replace the nichrome wire with the torch bulb in the circuit and find the current through it by measuring the reading of the ammeter.
♦ Now repeat the above step with the `10 W` bulb in the gap `XY.`
♦ Are the ammeter readings differ for different components connected in the gap XY? What do the above observations indicate?
♦ You may repeat this Activity by keeping any material component in the gap. Observe the ammeter readings in each case. Analyse the observations.
`ul"Activity 12.3"`
♦ Complete an electric circuit consisting of a cell, an ammeter, a nichrome wire of length `l` [say, marked (1)] and a plug key, as shown in Fig. 12.5.
♦ Now, plug the key. Note the current in the ammeter.
♦ Replace the nichrome wire by another nichrome wire of same thickness but twice the length, that is `2 l` [marked (2) in the Fig. 12.5].
♦ Note the ammeter reading.
♦ Now replace the wire by a thicker nichrome wire, of the same length l [marked (3)]. A thicker wire has a larger cross-sectional area. Again note down the current through the circuit.
♦ Instead of taking a nichrome wire, connect a copper wire [marked (4) in Fig. 12.5] in the circuit. Let the wire be of the same length and same area of cross-section as that of the first nichrome wire [marked (1)]. Note the value of the current.
♦ Notice the difference in the current in all cases.
♦ Does the current depend on the length of the conductor?
♦ Does the current depend on the area of cross-section of the wire used?








`ul"Activity 12.4"`
♦ Join three resistors of different values in series. Connect them with a battery, an ammeter and a plug key, as shown in Fig. 12.6. You may use the resistors of values like `1 Ω, 2 Ω, 3 Ω` etc., and a battery of ` 6 V` for performing this Activity.
♦ Plug the key. Note the ammeter reading.
♦ Change the position of ammeter to anywhere in between the resistors. Note the ammeter reading each time.
♦ Do you find any change in the value of current through the ammeter?
`ul"Activity 12.5"`
♦ In Activity 12.4, insert a voltmeter across the ends X and Y of the series combination of three resistors, as shown in Fig. 12.8.
♦ Plug the key in the circuit and note the voltmeter reading. It gives the potential difference across the series combination of resistors. Let it be V. Now measure the potential difference across the two terminals of the battery. Compare the two values.
♦ Take out the plug key and disconnect the voltmeter. Now insert the voltmeter across the ends X and P of the first resistor, as shown in Fig. 12.8.
♦ Plug the key and measure the potential difference across the first resistor. Let it be `V_1`.
♦ Similarly, measure the potential difference across the other two resistors, separately. Let these values be `V_2` and `V_3`, respectively.
♦ Deduce a relationship between `V, V_1 , V_2` and `V_3`.


`ul"Activity 12.6"`
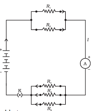
♦ Make a parallel combination, XY, of three resistors having resistances `R_1, R_2`, and `R_3`, respectively. Connect it with a battery, a plug key and an ammeter, as shown in Fig. 12.10. Also connect a voltmeter in parallel with the combination of resistors.
♦ Plug the key and note the ammeter reading. Let the current be `I`. Also take the voltmeter reading. It gives the potential difference V, across the combination. The potential difference across each resistor is also V. This can be checked by connecting the voltmeter across each individual resistor (see Fig. 12.11).
♦ Take out the plug from the key. Remove the ammeter and voltmeter from the circuit. Insert the ammeter in series with the resistor `R_1`, as shown in Fig. 12.11. Note the ammeter reading, `I_1`.
♦ Similarly, measure the currents through `R_2` and `R_3`. Let these be `I_2` and `I_3`, respectively. What is the relationship between `I, I_1, I_2` and `I_3`?



